旋转式蓄热式氧化炉(Rotary RTO)是一种基于高温氧化与热能回收的工业有机废气(VOCs)治理技术
旋转式蓄热式氧化炉(Rotary RTO)是一种基于高温氧化与热能回收的工业有机废气(VOCs)治理技术,通过旋转阀的分度控制与蓄热陶瓷的交替蓄热放热,实现VOCs的高效分解及热量的循环利用。其核心优势在于高净化效率(≥99.5%)、紧凑的结构设计、低运行成本,尤其适用于中高浓度、大风量或VOCs成分复杂的废气治理场景,是当前工业VOCs治理领域的创新技术之一。
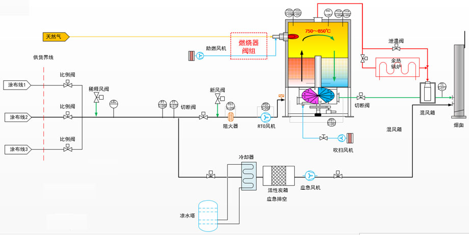
旋转式RTO通过旋转阀的周期性分度动作,将转子表面的蓄热介质区划分为引入、排出、吹扫和隔离四种模式,实现废气的连续处理与热量回收:
1. 引入模式:废气从下方进入蓄热介质区(如第1~5区块),穿过蓄热陶瓷层时被预热至接近氧化温度(约760℃),随后进入燃烧室。
2. 氧化阶段:预热后的废气在800℃高温下完全氧化为CO₂和H₂O,释放大量热量。
3. 排出模式:净化后的高温气体通过另一组蓄热介质区(如第7~11区块),将热量传递给蓄热陶瓷后降温,最终以接近环境温度排出。
4. 吹扫与隔离:部分区块(如第6、12区块)进行吹扫以清除残留VOCs,或处于隔离状态以避免气流交叉污染。
· 旋转阀控制:转子表面设置的密封装置将介质区分为12等分,通过旋转阀的分度动作,实现各区块功能的周期性切换(每30~120秒切换一次)。
· 热量自平衡:高浓度废气氧化释放的热量可维持燃烧室温度,减少辅助燃料消耗;低浓度废气则通过蓄热陶瓷的热量回收实现节能运行。

· 氧化室:采用耐高温材料(如陶瓷纤维)保温,确保炉膛温度稳定在800℃±50℃。
· 蓄热室:内置蓝太克MLM新型陶瓷蓄热体,兼具高比表面积与蓄热性能,热回收效率≥95%。
· 旋转体:转子表面设置密封装置,将介质区划分为12等分,通过电机驱动实现精准分度切换。
· 燃烧系统:配备麦克森/北美工业燃烧器,结合高温传感器与PID控制算法,实现炉温的精准调节。
· 净化系统:包括高效过滤器、气体吸收装置及导热油交换器,确保排放气体达标并回收余热。
· 旋转阀设计:采用直推式盖板阀门,泄漏量≤1%,启闭时间≤1秒,确保气流切换的精准性与密封性。
· 均布系统:废气进入蓄热室前通过均布装置,确保气流均匀分布,提升吸附效率。
· 控制系统:基于西门子PLC可编程控制器,集成温度、压力、流量等多参数监测与自动调节功能。
1. 高效净化与节能
· VOCs去除率≥99.5%,热回收效率≥95%,高浓度废气可实现自供热燃烧,运行费用较传统工艺降低30%-50%。
· 余热可回用至烘干、预热等工艺,进一步提升经济效益。
2. 紧凑结构与低维护
· 采用旋转式设计,占地面积较传统多室RTO减少30%以上;
· 模块化结构,蓄热体更换便捷,旋转阀寿命长达100万次,维护成本低。
3. 稳定运行与安全可靠
· 炉体钢结构牢靠,保温层厚实,外表面温度≤60℃;
· 配备泄爆装置、温度/压力联锁保护及自动吹扫功能,确保运行安全。
4. 广泛适用性
· 可处理单一或混合VOCs,适应浓度波动大(1000~100,000mg/m³)、热回收需求高的场景。
旋转式RTO技术广泛应用于以下行业的高浓度VOCs治理与热能回收需求:
· 化工与石化:石油化工、精细化工、复合肥料、农药生产;
· 轻工领域:印刷、涂布、纺织印染、日用化学品;
· 制造业:汽车、机械加工、印铁制罐、电子半导体;
· 特殊场景:需热能回收的烘干线废气处理(如将回收热量用于生产线预热)。
1. 化工企业:处理含苯、甲苯等混合VOCs废气(浓度5000~8000mg/m³),经旋转式RTO处理后排放浓度≤15mg/m³,热回收率96%,年节省燃料费用超400万元;
2. 印刷包装厂:处理乙酸乙酯废气(浓度3000mg/m³),通过余热回用实现烘干工序零能耗,VOCs去除率99.8%;
3. 电子半导体行业:处理异丙醇(IPA)废气(浓度2000mg/m³),旋转式RTO紧凑设计适应洁净车间空间限制,排放达标率100%。